Pièce de suspension pour série 300 carrée, acier noir, charge maxi 500kg
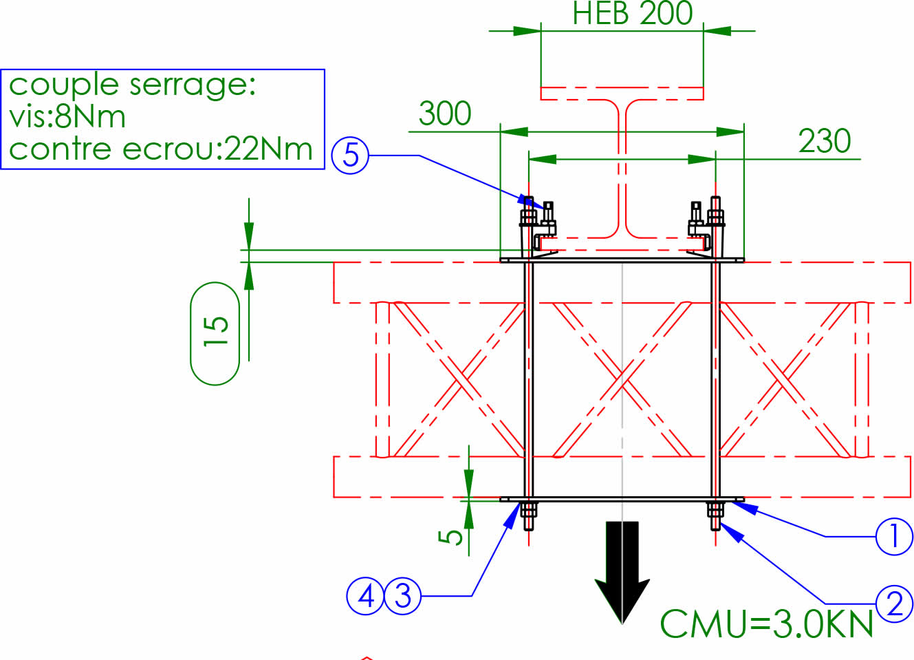
Ensemble d'accroche double pour série 300 carré sur poutre IPN type HEB240, CMU 300kg
Ensemble d'accroche 1côté pour série 300 carré sur poutre IPN type HEB, CMU 150 kg
Ensemble d'accroche double pour série 300 carré sur poutre IPN type HEB180, CMU 300kg
Ensemble d'accroche double pour série 300 carré sur poutre IPN type HEB160, CMU 300kg
Tour de levage, pied série 400 carré, noire, haut. max. 11m, haut. utile 10,30m, charge 2t. Chariot 4 départs 500 triangulaire et carré, adaptateur pour départ 400 carré
Insert pour fixation accessoires pour praticable ASD
Poutre de 0,365m, série SC500 carrée, couleur noire
Pied chandelle 2 pieds pour jonction entre 2 praticables ASD, hauteur 1m
Cerce monotube Ø 5m, couleur noire, en 6 pièces de 60°
Nos équipes sont prêtes à répondre à vos besoins et à concrétiser vos projets. Contactez votre agence locale ou laissez-nous un message, nous serons ravis de vous accompagner.